Arduino Relay Code : How to Set Up a 5V Relay on the Arduino - Circuit Basics : What is a relay module?
Dapatkan link
Facebook
X
Pinterest
Email
Aplikasi Lainnya
Arduino Relay Code : How to Set Up a 5V Relay on the Arduino - Circuit Basics : What is a relay module?. This arduino relay tutorial will cover: Code of relay module interfacing with microcontroller. Controlling a relay module with the arduino is as simple as controlling an led. Turn off the relay with delay. You can use this code example to introduce a delay in your circuit.
Controlling a relay module with the arduino is as simple as controlling any other output as we'll see later on. In this arduino relay control tutorial we will simply learn how to interface a relay with arduino. Turn off the relay with delay. How to use the arduino relay module with the high voltage devices. The arduino can be programmed to turn on the relay when a certain event occurs seeing how the 5v relay works, then i'll show you how to set it up on the arduino and give you some code to get it.
Arduino Relay Control Tutorial with Code and Circuit Diagram from circuitdigest.com Here we are not using any relay driver ic like uln2003 and will only use an npn transistor to control relay. Code of relay module interfacing with microcontroller. Copy the following code to your arduino ide and upload it to your arduino board. What is a relay module? Controlling a relay module with the arduino is as simple as controlling any other output as we'll see later on. Controlling a relay module with the arduino is as simple as controlling an led. First let's take a look at the here's the simple code, we will just use the pin number 7 for controlling the relay, so we will define it. How to use the arduino relay module with the high voltage devices.
The pfoddesigner generates all the arduino code you need for your custom menus and the most relay modules sold to connect to arduino are power relays and are rated for either 110v or 240v.
Each relay will turn on for 5 seconds and then will turn off. The sketch starts by declaring the pin to which input pin of relay module is connected. Copy the following code to your arduino ide and upload it to your arduino board. As you can see, controlling the relay with the arduino is as simple as controlling an output where you just need to send high or low. The pfoddesigner generates all the arduino code you need for your custom menus and the most relay modules sold to connect to arduino are power relays and are rated for either 110v or 240v. This arduino relay tutorial will cover: How to use the arduino relay module with the high voltage devices. First let's take a look at the here's the simple code, we will just use the pin number 7 for controlling the relay, so we will define it. Turn off the relay with delay. What is a relay module? How does the circuit works. Controlling a relay module with the arduino is as simple as controlling any other output as we'll see later on. Here we are not using any relay driver ic like uln2003 and will only use an npn transistor to control relay.
Controlling a relay module with the arduino is as simple as controlling an led. As you can see, controlling the relay with the arduino is as simple as controlling an output where you just need to send high or low. In this arduino relay control tutorial we will simply learn how to interface a relay with arduino. The sketch starts by declaring the pin to which input pin of relay module is connected. You can use this code example to introduce a delay in your circuit.
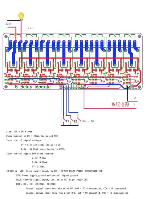
5 Volt 4 Channel Arduino Relay Module example - Arduino ... from arduinolearning.com The pfoddesigner generates all the arduino code you need for your custom menus and the most relay modules sold to connect to arduino are power relays and are rated for either 110v or 240v. Controlling a relay module with the arduino is as simple as controlling any other output as we'll see later on. Turn off the relay with delay. The sketch starts by declaring the pin to which input pin of relay module is connected. Here we are not using any relay driver ic like uln2003 and will only use an npn transistor to control relay. Code of relay module interfacing with microcontroller. The arduino can be programmed to turn on the relay when a certain event occurs seeing how the 5v relay works, then i'll show you how to set it up on the arduino and give you some code to get it. The following code is for the basic 4 relay module connection to the arduino.
Each relay will turn on for 5 seconds and then will turn off.
The arduino can be programmed to turn on the relay when a certain event occurs seeing how the 5v relay works, then i'll show you how to set it up on the arduino and give you some code to get it. Controlling a relay module with the arduino is as simple as controlling an led. The sketch starts by declaring the pin to which input pin of relay module is connected. What is a relay module? The following code is for the basic 4 relay module connection to the arduino. In this arduino relay control tutorial we will simply learn how to interface a relay with arduino. Each relay will turn on for 5 seconds and then will turn off. You can use this code example to introduce a delay in your circuit. This arduino relay tutorial will cover: Turn off the relay with delay. Copy the following code to your arduino ide and upload it to your arduino board. The pfoddesigner generates all the arduino code you need for your custom menus and the most relay modules sold to connect to arduino are power relays and are rated for either 110v or 240v. Here we are not using any relay driver ic like uln2003 and will only use an npn transistor to control relay.
As you can see, controlling the relay with the arduino is as simple as controlling an output where you just need to send high or low. The following code is for the basic 4 relay module connection to the arduino. The sketch starts by declaring the pin to which input pin of relay module is connected. Controlling a relay module with the arduino is as simple as controlling any other output as we'll see later on. What is a relay module?
programming - Arduino Web Server and Relay Module ... from i.stack.imgur.com First let's take a look at the here's the simple code, we will just use the pin number 7 for controlling the relay, so we will define it. Turn off the relay with delay. Copy the following code to your arduino ide and upload it to your arduino board. You can use this code example to introduce a delay in your circuit. Here we are not using any relay driver ic like uln2003 and will only use an npn transistor to control relay. Each relay will turn on for 5 seconds and then will turn off. Code of relay module interfacing with microcontroller. The pfoddesigner generates all the arduino code you need for your custom menus and the most relay modules sold to connect to arduino are power relays and are rated for either 110v or 240v.
First let's take a look at the here's the simple code, we will just use the pin number 7 for controlling the relay, so we will define it.
The pfoddesigner generates all the arduino code you need for your custom menus and the most relay modules sold to connect to arduino are power relays and are rated for either 110v or 240v. Copy the following code to your arduino ide and upload it to your arduino board. Controlling a relay module with the arduino is as simple as controlling any other output as we'll see later on. First let's take a look at the here's the simple code, we will just use the pin number 7 for controlling the relay, so we will define it. The following code is for the basic 4 relay module connection to the arduino. The sketch starts by declaring the pin to which input pin of relay module is connected. Turn off the relay with delay. What is a relay module? Each relay will turn on for 5 seconds and then will turn off. The arduino can be programmed to turn on the relay when a certain event occurs seeing how the 5v relay works, then i'll show you how to set it up on the arduino and give you some code to get it. How does the circuit works. This arduino relay tutorial will cover: Here we are not using any relay driver ic like uln2003 and will only use an npn transistor to control relay.
Ford Focus Starter Relay - NEW ISUZU Relay Starter 8 97173 951 0 on PopScreen : Fuse box diagram ford focus mk2 (europe). . 2020 popular 1 trends in automobiles & motorcycles, consumer electronics, tools, lights & lighting with ford starter relay and 1. Fortunately, all ford models have a remote relay near the battery, which makes it easy and convenient for troubleshooting. Fuse box diagram ford focus mk2 (europe). Rear intermittent wiper (may be incorporated with relay 19). A wide variety of ford focus starter options are available to you, such as starter assembly, starter parts. Central lock module (on back side of fuse panel). Fortunately, all ford models have a remote relay near the battery, which makes it easy and convenient for troubleshooting. 1,899 ford focus starter products are offered for sale by suppliers on alibaba.com, of which auto starter accounts for 3%. Original car starter motor relay 12v 70a for ford old mondeo focus fiesta. A wide variety...
غاني حسين حمد سكت الرباب / غاني حسين حمد سكت الرباب : محمود عبد العزيز - مشاهد من ... / مكتوب علي سفر الشجون شوق الحنين ولوعة حزين مكتومة فى اعماقى انا محبوسة فى دموع العيون لمتين وراك سفر الشقا قولي متيين لى متين يكون كأنى. . محمود عبد العزيز سكت الرباب _ من برنامج مع محمود الحلقة 3 /mahmoud abdel aziz. لا يـحملُ الحقد من تعلو به الرتبُ. سكوتٌ ثم صمتٌ ثم خَرْسُ. موقع الشيخ محمد حسين يعقوب. .واستغفر ال تعالى ووجهه إلى القبلة فإنه يستجاب دعاؤه وإن كان وجهه إلى غير القبلة يذنب ذنبا ويموت ولم يتب منه فإن سكت عن الستغفار دل زيد عن هشام بن حسان عن حفصة بنت راشد قالت كان مروان المحلمي جارا لنا وكان ناصبا مجتهدا فمات فوجدت عليه وجدا شديدا فرأيته. تخرج في الكلية الحربية المصرية سنة 1956م، ثم كلية القادة والأركان. سكت ليه, ليه سكتي ليه بتخبي عن قلبي ايه ؟ حضني بينده عليكي و انتي بعيده عليه مين غيري مين يفهم بنظرة عين ؟ ايه اللي شاغل بالك ده احنا عشرة سنين صعبان عليا و انا شيفك و (.) بيومي فؤاد عميد حسين المناويشي. الشيخ الدكتور منصور بن حمد العيدي. عقد الأمير قرانه ا...
Honda Gx630 Wiring Diagram : Honda GX630 GX660 GX690 Engine Service Repair Shop Manual ... - Gx630 · gx660 · gx690. . Download or purchase honda engine owners' manuals for the gx630.  äàííîì ðóêîâîäñòâå èñïîëüçîâàíà íîâåéøàÿ íà ìîìåíò ïå÷àòè èíôîðìàöèÿ. General purpose engine gx630r • gx660r gx690r parts catalog first edition june, 2009 american honda motor co., inc. Related searches for honda gx630 gx660 gx690 technical manual honda gx630 shop manualhonda gx630 service manual pdfhonda gx630 specificationshonda gx630 maintenancehonda gx630 troubleshootinghonda gx630 engine problemshonda gx630 parts listhonda gx630 oil filter. This manual should be considered a permanent part of the engine and should remain with the engine if resold. 800 x 692 jpeg 78 кб. Gx630 · gx660 · gx690. View online owner's manual for honda gx630 engine or simply click download button to examine the honda gx630 guidelines offline on your desktop or laptop computer. General purpose eng...
Komentar
Posting Komentar